Inhoud
Motorkap met gasveer
De motorkap wordt normaal opengehouden met één stang. Dat is uiteraard prima maar het is mooier wanneer we hiervoor 2 gasveren gaan gebruiken.
Die oplossing is kant en klaar te koop maar ……. omdat wij graag de auto origineel houden, daarbij ook veelal denken dat wij het beter kunnen en het ook gewoon veel leuker is om het zelf te maken, gaan we dat ook doen.
Er zijn 2 uitdagingen:
- We willen geen gaten boren voor de aanpassing wat wel bij de standaard te kopen oplossing het geval is en,
- De gasveer mag niet te “krachtig” zijn zodat de druk op het scharnier minimaal is.
Als eerste de gasveer; er zijn veel soorten en om de juiste te vinden, gaan we aan de slag met het gewicht van de motorkap. De kant en klare oplossing vertelt ons niet welk type gasveer is toegepast. Die informatie gaan wij “opsporen” door het zelf te berekenen. Een vraag op het Open TR Club Facebook Forum over het gewicht van een motorkap van een TR6 geeft geen eenduidig antwoord dus we gaan aan de slag met de weegschaal. We gaan de motorkap niet demonteren maar plaatsen een weegschaal onder de motorkap met een balkje dat de motorkap iets openhoudt. Dit levert een gewicht op van 9,2 kg. Maar de motorkap zit nog vast aan het scharnier dus voor het gemak vermenigvuldigen we de waarde met 2. We gaan rekenen met ongeveer 20 kg.
Op internet vinden we gasveerwinkel.nl1) waar een rekentool te vinden is om zo de juiste gasveer te vinden.
Helaas is het scharnier van onze TR6 niet standaard en scharniert de motorkap niet als een standaard zolderluik bijvoorbeeld. We moeten dus inventief zijn en na wat overleg bestellen we onze 2 gasveren die netjes 1 dag later worden afgeleverd.
Het gewicht bepaalt de druk en we laten onze gasveren afleveren op elk 100 newton. Omdat we weten waar we de gasveer willen monteren weten we ongeveer de lengte en de slag.
Zoals gezegd willen we niet boren in onze auto en maken we een strip (IJzershop.nl)2) van 75x30x4mm vast aan een bestaande bout van het scharnier.
Aan 2 bestaande bouten van het zijscherm monteren we een hoeklijntje van 25x25x3 met een lengte van 250mm.
Deze hoeklijn moeten we aan de kant waar de standaard uitzetstang zit iets in korten en maken we 20x25x3. Dit heeft te maken met het feit dat de gasveer zo dicht mogelijk tegen het binnenscherm moet komen. Het tapeind waar de uitzetstang aan vastzit, welke we niet verwijderen, zou anders de gasveer raken bij het sluiten van de motorkap.
Het is hierbij ook belangrijk dat het bevestigingspunt van de gasveer zo dicht mogelijk op de rand van de hoeklijn wordt gemaakt, dus zover mogelijk naar beneden.
We spuiten alles in de kleur van de auto zodat de aanpassing niet opvalt en monteren alles. Het openen van de motorkap is nu makkelijk.
Algemene aandachtspunten bij montage van een gasveer:
- Probeer de gasveer voor het monteren niet met de hand in te drukken. De gasveer kan hierdoor beschadigen en vaak is de kracht die hier voor nodig is te groot.
- Monteer de gasveer zo, dat tijdens gemiddeld gebruik de stang zo vaak mogelijk naar beneden wijst, dit i.v.m. smering en dus afdichting
Ons boodschappenlijstje:
- 2x Hoeklijn, 25mm x 25mm x 3mm lengte 250mm,
- 2x vlakke strip, 75mm x 30mm x 4mm,
- 2x gasveer lengte, inclusief kogelkoppeling, 492mm, kracht 100N per stuk, (Bestelnr: G0106200048, gasveer 6-15 slag 200)
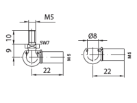
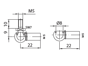
- 4x M5 Kogelgewricht (kogel met M5), 22mm (bestelnr B010522)
1x hoeklijn 25x25x3 inkorten voor de rechterzijde naar 20x25x3mm

Publicatie3) oktober 2020.



















